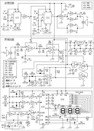
這里介紹一款國外的不使用單片機的超聲波測距儀。本超聲波測距儀通過測量超聲波發射到反射回來的時間差來測量與被測物體的距離??梢詼y量0.35-10m的距離。實物圖如下:電子開發社區門戶(nsQ9eo6r.n
電子開發社區門戶2C%i3UMWlD
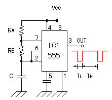
原理圖如下:電子開發社區門戶$zTV}P ^ B^(` o
一、電路原理
NoPv]P1E634731 超聲波發射電路
7g.f^)?|0o:h-L63473 由兩塊555集成電路組成。IC1(555)組成超聲波脈沖信號發生器,工作周期計算公式如下,實際電路中由于元器件等誤差,會有一些差別。
h H#C3c$\5s63473
電子開發社區門戶OgpA#pS5g7W$O2A
條件: RA =9.1MΩ、 RB=150KΩ、 C=0.01μF
`)n!dY+f&L} F(q63473TL = 0.69 x RB x C 電子開發社區門戶SdZ5k^$Ia
= 0.69 x 150 x 103x 0.01 x 10-6 = 1 msec
.s5zo3^}\"\d63473
,k E3ztvN\63473TH = 0.69 x (RA + RB) x C
'[f0u,G9b9jZu*G63473 = 0.69 x 9250 x 103x 0.01 x 10-6 = 64 msec
xq*D L+aQR/A6F63473電子開發社區門戶O^4FyN/J1va(O
IC2組成超聲波載波信號發生器。由IC1輸出的脈沖信號控制,輸出1ms頻率40kHz,占空比50%的脈沖,停止64ms。計算公式如下:
#N{8P,v k{(aD63473
電子開發社區門戶E ^ hL,]&`|;l u
條件: RA =1.5KΩ、 RB=15KΩ、 C=1000pF電子開發社區門戶yN4S3j}`G)j,O3Bm
TL = 0.69 x RB x C
9u `1rUouKv63473 = 0.69 x 15 x 103x 1000 x 10-12 = 10μsec 電子開發社區門戶Dag Pr%^KNLF
電子開發社區門戶0{hc!Q"x'x B8f'T|^
TH = 0.69 x (RA + RB) x C 電子開發社區門戶gKt{+ipZ"R4\c6d
= 0.69 x 16.5 x 103x 1000 x 10-12 = 11μsec
3yaGz[E63473
$q\f+i%X^,`63473f = 1/(TL + TH) 電子開發社區門戶&w8N5PxG@$A#C
= 1/((10.35 + 11.39) x 10-6) = 46.0 KHz
UqP6FUp V*o+T63473IC3(CD4069)組成超聲波發射頭驅動電路。電子開發社區門戶/i` XvT
2 超聲波接收電路
:_G/c.N%mwm6e5E63473
電子開發社區門戶:mg4ZG:XwVMe k
超聲波接收頭和IC4組成超聲波信號的檢測和放大。反射回來的超聲波信號經IC4的2級放大1000倍(60dB),第1級放大100倍(40dB),第2級放大10倍(20dB)。 由于一般的運算放大器需要正、負對稱電源,而該裝置電源用的是單電源(9V)供電,為保證其可靠工作,這里用R10和R11進行分壓,這時在IC4的同相端有4.5V的中點電壓,這樣可以保證放大的交流信號的質量,不至于產生信號失真。電子開發社區門戶 q!L,Wjg
電子開發社區門戶mC nW"F3~"Lgsy
C9、D1、D2、C10組成的倍壓檢波電路取出反射回來的檢測脈沖信號送至IC5進行處理。電子開發社區門戶vQ |-`+r*N&tOM'mZN
IC5、IC6、IC7、IC8、IC9組成信號比較、測量、計數和顯示電路,即比較和測量從發出的檢測脈沖和該脈沖被反射回來的時間差。它是超聲波測距電路的核心,下面分析其工作原理。電子開發社區門戶_y0E+@Js#A
電子開發社區門戶/|lhkB@S{.k
由Ra、Rb、IC5組成信號比較器。其中
&?-L7G"ST"sp1N+u [63473VRf = (Rb x Vcc)/(Ra + Rb) = (47KΩ x 9V)/(1MΩ + 47KΩ) = 0.4V 電子開發社區門戶9B ?-NK]\tXj^
所以當A點(IC5的反相端)過來的脈沖信號電壓高于0.4V時,B點電壓將由高電平"1"到低電平"0"。同時注意到在IC5的同相端接有電容C11和二極管D3,這是用來防止誤檢測而設置的。在實際測量時,在測距儀的周圍會有部分發出的超聲波直接進入接收頭而形成誤檢測。為避免這種情況發生,這里用D3直接引入檢測脈沖來適當提高IC5比較器的門限轉換電壓,并且這個電壓由C11保持一段時間,這樣在超聲波發射器發出檢測脈沖時,由于D3的作用使IC5的門限轉換電壓也隨之被提高,并且由于C11的放電保持作用,可防止這時由于檢測脈沖自身的干擾而形成的誤檢測。由以上可知,當測量距離小到一定程度時,由于D3及C11的防誤檢測作用,其近距離測量會受到影響。圖示參數的最小測量距離在40cm左右。減小C11的容量,在環境溫度為20 時可做到30cm測量最短距離。此時其放電時間為1.75ms。
(d4j w$Vi7k63473
電子開發社區門戶:D H!YlP.|1T
IC6組成R-S觸發器構成時間測量電路。可以看出,在發出檢測脈沖時(A端為高電平),D端輸出高電平,當收到反射回來的檢測脈沖時,C端由高變低,此時D端變為低電平,故輸出端D的高電平時間即為測試脈沖往返時間。電子開發社區門戶[i.^ q z8{
(R }2u&|6UzVh7i}5R63473 計數和顯示電路由IC6、IC7、IC8、IC9組成,IC7組成計數電路脈沖發生器,原理圖如下。電子開發社區門戶t:N)O6c8C4k'BM ^0F:A+~
\"T])Cpd{63473其工作頻率f = 1/(2.2 x C x R)。電路頻率設計在17.2kHz左右。這個頻率是根據聲波在環境溫度為20℃ 時的傳播速度為343.5m/s確定的。我們知道在不同的環境溫度下,聲波的傳播速度會有所改變,其關系為v=331.5+0.6×t,其中v的單位為m/s,t為環境溫度,單位為℃。
5|n_B8[5]s63473
| Temperature (℃) | Speed of sound (m/sec) |
|---|---|
| -10 | 325.5 |
| 0 | 331.5 |
| 10 | 337.5 |
| 20 | 343.5 |
| 30 | 349.5 |
| 40 | 355.5 |
| 50 | 361.5 |
電子開發社區門戶e+aCSVy4A9n二、元件選擇
gBbP%R6^2rt63473 這里采用的超聲波發射頭為T40-16,接收頭為R40-16.參數和外形如下:電子開發社區門戶^3Z)ARS&u]
| Item | Specifications | |
|---|---|---|
| Center frequency (KHz) | 40 | |
| Overpressure value (dB) | 115 < | |
| Sensitivity (dB) | -64 < | |
| Major diameter size "T8hY(e,F63473(mm) |
Diameter | 16.2 |
| Height | 12.2 | |
| [rito] ゙ interval | 10.0 | |

三、印刷電路板電子開發社區門戶$zL.d~b5?F
四、調試電子開發社區門戶 nR+[2`p ~6aR/PY
1 調整發射接收電路
)TdJ!jq'|sY63473 把IC1從插座上拔下,并短接IC1插座的1和3腳,這時IC2的4腳應為高電平,并會持續發出高頻載波信號,頻率約為40KHz,此時可用示波器監測IC4的1腳信號。讓超聲波探頭朝向一面墻,使發出的超聲波返回而被接受器檢測到,同時用示波器檢測IC4的1腳信號,慢慢調節VR1,使IC4的1腳輸出信號最大。 斷開IC1插座的1和3腳短接線并插上IC1,此時再用示波器監視IC4的1腳信號,應能看到超聲波脈沖串。電子開發社區門戶x h&g1Q\GZ vbR4t'j
Z+_!D6h,F0n5E/Q634732 調整誤檢測電路
I_$lx.@Q ?6Z6Q63473 通常該部分電路不需要調整,但如果發現測量幾米外的物體,電路始終顯示為0.40,這表明該儀器受到自身發出的檢測脈沖干擾。這時我們需檢查或稍許增多C11的容量,說明第1條線測得于IC6的第1腳,第2條線測得于IC5的3腳,第3條線測得于IC4的1腳,第4條線測得于IC6的10腳。電子開發社區門戶5o'{.ty~Ir%`
電子開發社區門戶#D)[v\ j1P${j
3 調節計數電路脈沖頻率
KF!o^ex%q |1y63473 讓電路板垂直于墻面1m處,調節VR3在中間位置,再調節VR2使顯示1.00,但在環境溫度改變時,一般需再次調節VR2,校準測距儀。電子開發社區門戶O1_g b]*j {
電子開發社區門戶%x"[?Jxqr
4 關于短距離的測量
zk] m|y63473 當我們將測距儀逐漸靠近被測物體,最終讀數顯示在34cm左右。因為這個電路C11取值為0.1uF,由于防誤檢測電路的保護作用,所以最小測試距離限制為34cm左右,如要進一步縮短測試距離,由前面分析可知,我們必須讓發出的測試脈沖寬度更窄,同時減小防誤檢測電路C11的容量。但由于超聲波發射器的輸出功率有限,如果縮短測試脈沖時間,意味著減小了測試脈沖的輸出功率,在測試距離增加時,會使反射回來的信號很弱,造成儀器在長距離測量時受到影響。電子開發社區門戶Y1atJ([ ^4[,P
nmF d?z?634735 關于長距離測量電子開發社區門戶 } [+zCQ`;Q
長距離測量由于各種因素的影響會困難一些。有幾點測量時我們必須注意:電子開發社區門戶 u W!ZO@ H
1)被測目標必須垂直于超聲波測距儀。電子開發社區門戶b"n6_g]!GzS
2)被測目標表面必須平坦。
,@$yf;Y#^634733)測量時在超聲波測距儀周圍沒有其他可反射超聲波的物體。電子開發社區門戶5j)t!Y F@v3m'w
由于發射功率有限,測距儀無法測量10m外的物體。